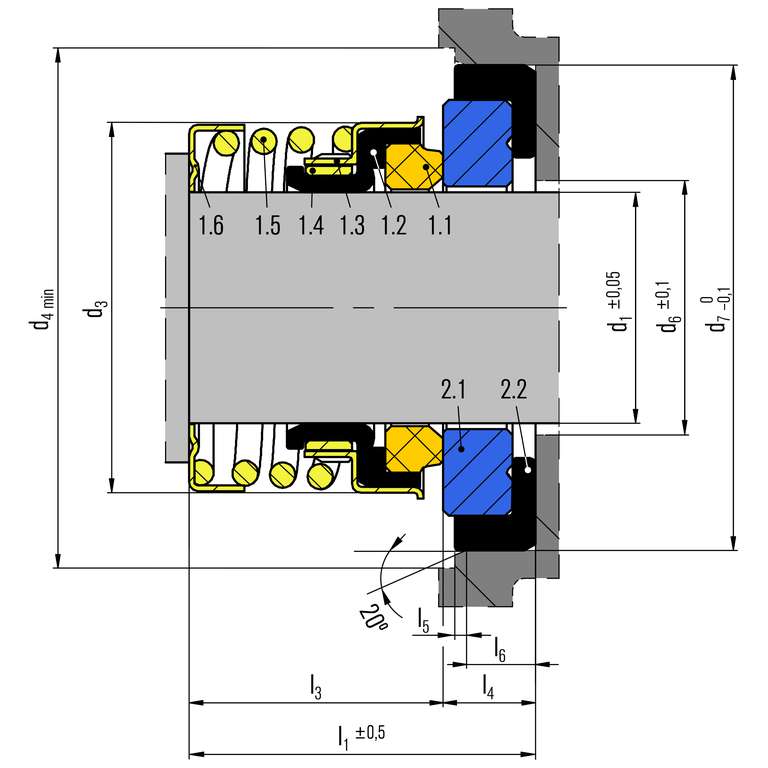
Item. Description
1.1 Seal face
2.1 Sationary seat
1.2 Bellows
1.3 Collar
1.4 Drive ring
1.5 Spring
1.6 Ring
2.2 Collar

BT-PN

Features

  • Single and double seal
  • For plain shafts
  • Elastomer bellows rotating
  • Unbalanced
  • Independent of direction of rotation

Advantages

  • No torsion on bellow and spring
  • Universal application opportunities
  • Suitable design for high volume seal
  • Individual adaptation to pumps design possible
  • Customized installation length can be achieved

Operating range

Shaft diameter:
d1* = 8 … 40 mm (0.31" … 1.57")
Pressure: p1** = 12 bar (174 PSI),
vacuum … 0.5 bar (7.45 PSI)
Temperature:
t** = -20 °C … +120 °C (-4 °F … +248 °F)
Sliding velocity: vg = 10 m/s (33 ft/s)

* Dependent on medium, size and material

Materials

Seal face:
Carbon graphite antimony impregnated (A),
Carbon graphite resin impregnated (B),Carbon graphite, full carbon (B3),
Silicon carbide (Q1, Q6)
Seat:
Al-Oxide (V, V1), Silicon carbide (Q1, Q6, Q7)
Elastomers:
NBR (P), EPDM (E), FKM (V)
Metal parts: CrNi steel 1.4301 (F), CrNiMo steel 1.4401 (G)

Standards and approvals

  • Various material approvals e.g. WRAS, UBA, ACS, NSF, FDA available (depending on type and material combinations). Please inquire!



Product variants

BT-PNL Items and designations same as for BT-PN,
but with a smaller outer diameter (d3).

Item. Description
1.1 Seal face/td>
2.1 Sationary seat
1.2 Bellows
1.3 Collar
1.4 Drive ring
1.5 Spring
1.6 Ring
2.2 Collar
BT-PN and PNL double seal
Items and designations same as for BT-PN. This is a dual sela in a back to back arrangement with a BT-PN or BT-PNL base. Therefore, this seal combines the advantages of the PN/PNL with the advantage of a double seal.
Individual installation dimensions and lengths can be supplied upon request.
In this configuration, the operating pressure (product side seal) must be limited to max. 2 bar (29 PSI).
For specific application or operation limits, please inquire!

Item. Description
1.1, 1.6 Seal face/td>
2.1, 3.1 Sationary seat
1.2 Bellow
1.3 Collar
1.4 Drive ring
1.5 Spring
2.2, 3.2 Collar

Similar products

eMG Blue

  • 100% design compatibility with eMG1 and MG1
  • For plain shafts
  • Elastomer bellows rotating
  • Balanced
  • Independent of direction of rotation
  • Insensitive to shaft deflections due to large axial movement ability

eMG12

  • For plain shafts
  • Single and dual seal
  • Elastomer bellows rotating
  • Balanced
  • Independent of direction of rotation

eMG13

  • For plain shafts
  • Single and dual seal
  • Elastomer bellows rotating
  • Balanced
  • Independent of direction of rotation
Contact

Inquire about individual solutions

We develop and produce customer-specific special and individual solutions for every application.

Inquire now Discover reference projects
Back to the overview